| |
| 滚珠丝杠副参数计算与选用 |
Page 1 2 3 4 |
 |
| |
| 14、滚珠丝杠副临界压缩载荷F的校验(验算压杆稳定性) |
 |
式中:
d2-滚珠丝杠螺纹底径,d2≈do-Dw, do-公称中径,取样本数据。
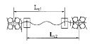
Lc1-滚珠丝杠副的最大受压长度(mm)(见表11)
F′max- 滚珠丝杠副承受最大轴向压缩载荷(N)。 若滚珠丝杠承受最大载荷不是压缩载荷时,F′max不等于Fmax, 视工作情况进行计算
K1- 安全系数。丝杠垂直安装K1=1/2
丝杠水平安装K1=1/3
K2- 支承系数。与支承方式有关(见表11) |
| 表-11 |
支承方式 |
简 图 |
K2 |
λ |
f |
一端固定
一端自由 |
|
0.25 |
1.875 |
3.4 |
一端固定
一端游动 |
|
2 |
3.927 |
15.1 |
二端支承 |
|
1 |
3.142 |
9.7 |
二端固定 |
|
4 |
4.730 |
21.9 |
|
| |
|
| 15、滚珠丝杠副极限转速nc校验(避免高速运转时产生共振) |
 |
式中:
nc-极限转速(r/min)
Lc2-临界转速计算长度(mm) (见表11)
E-杨氏弹性模量2.1×105(N/mm2),
r-材料密度,钢密度
|
I-丝杠的最小惯性矩
I=
A-丝杠的最小横截面积
K1-安全系数。一般取0.8
f, λ-与支承形式有关的系数(见表-11) |
| |
| 16、Dn值校验 |
dom·nmax≤70000
式中:
dom-滚珠丝杠副的节圆直径(mm),dom≈d2+Dw(mm)
nmax-滚珠丝杠副的最高转速 |
| |
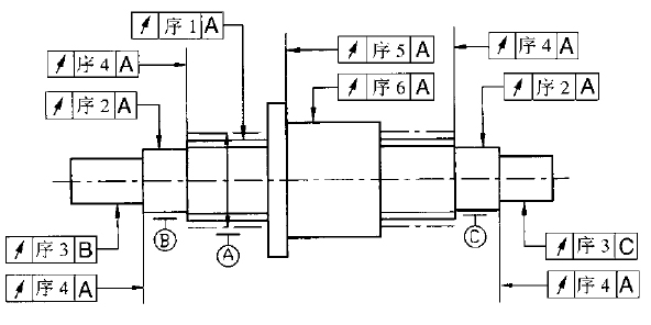
| 17、滚珠丝杠副形位公差的标注见表-3及下图 |
 |
| 某些传动类(T类)滚珠丝杠副,对精度要求低,但传递的载荷较大,这时可不进行有关传动精度及传动系统刚度的计算,但需进行以下两项计算: |
| |
| 18、基本轴向额定静载荷Coa验算 |
19、强度验算 |

fsFamax≤Coa
式中:
Coa-滚珠丝杠副的基本轴向额定静载荷(N)。可在样本上查到。
fs-静态安全系数。一般载荷fs= 1~2,
有冲击或振动的载荷:fs= 2~3
Famax- 最大轴向载荷(N) |

[б]-许用应力(N/mm2)
d2-滚珠丝杠螺纹底径(mm)。 |
| |
|
| |