| |
|
| |
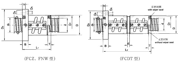
| 外插管凸出式滚珠丝杠副尺寸系列 |
|
 |
| |
|
| |
序号 |
规格代号 |
公称直径 |
导程 |
钢球直径 |
丝杠大径 |
滚 珠 螺 母 安 |
do |
Ph |
Dw |
d1 |
D |
D3 |
D4 |
D5 |
D6 |
D7 |
h |
M |
B |
T |
E |
Xmax |
1 |
1203 |
12 |
3 |
2.3812 |
11.3 |
26 |
48 |
36 |
4.8 |
8.5 |
17 |
4 |
F2 |
6 |
2 |
3 |
|
2 |
1603 |
16 |
15.3 |
30 |
53 |
40 |
4.8 |
8.5 |
21 |
4 |
F2 |
8 |
2 |
3 |
|
3 |
1204 |
12 |
4 |
2.3812 |
11.3 |
26 |
48 |
36 |
4.8 |
8.5 |
17 |
4 |
F2 |
6 |
3 |
4 |
|
4 |
1604 |
16 |
15.3 |
30 |
53 |
40 |
4.8 |
8.5 |
21 |
4 |
F2 |
8 |
3 |
4 |
|
5 |
2004 |
20 |
19.3 |
36 |
60 |
48 |
5.8 |
10 |
25 |
6 |
M6 |
10 |
3 |
4 |
23 |
6 |
3204 |
32 |
31.3 |
50 |
76 |
63 |
5.8 |
10 |
38 |
6 |
M6 |
10 |
3 |
4 |
35 |
7 |
2005 |
20 |
5 |
3.175 |
19.1 |
36 |
60 |
48 |
5.8 |
10 |
25 |
6 |
M6 |
10 |
3 |
4 |
25 |
8 |
2505 |
25 |
24.1 |
40 |
66 |
53 |
5.8 |
10 |
30 |
6 |
M6 |
10 |
3 |
4 |
30 |
9 |
3205 |
32 |
31.1 |
50 |
82 |
67 |
7 |
12 |
38 |
7 |
M6 |
12 |
3 |
4 |
33 |
10 |
4005 |
40 |
39.1 |
60 |
94 |
75 |
9 |
15 |
48 |
9 |
M6 |
15 |
3 |
4 |
44 |
11 |
2506 |
25 |
6 |
3.175 |
24.1 |
40 |
66 |
53 |
5.8 |
10 |
30 |
6 |
M6 |
10 |
4 |
4 |
31 |
12 |
3206 |
32 |
31.1 |
50 |
82 |
67 |
7 |
12 |
38 |
7 |
M6 |
12 |
4 |
4 |
37 |
13 |
4006 |
40 |
6 |
3.9688 |
38.8 |
60 |
94 |
75 |
9 |
15 |
48 |
9 |
M6 |
15 |
4 |
6 |
45 |
14 |
5006 |
50 |
48.8 |
71 |
110 |
90 |
9 |
15 |
60 |
9 |
M8×1 |
15 |
4 |
6 |
55 |
15 |
3208 |
32 |
8 |
4.7625 |
30.6 |
53 |
90 |
71 |
9 |
15 |
40 |
9 |
M6 |
15 |
5 |
4 |
39 |
16 |
4008 |
40 |
38.6 |
63 |
100 |
80 |
9 |
15 |
48 |
9 |
M6 |
15 |
5 |
4 |
47 |
17 |
5008 |
50 |
48.6 |
75 |
118 |
95 |
11 |
18 |
60 |
11 |
M8×1 |
18 |
5 |
8 |
58 |
18 |
6308 |
63 |
61.6 |
90 |
132 |
110 |
11 |
18 |
75 |
11 |
M8×1 |
18 |
5 |
8 |
69 |
|
| 注①L3=L1×2+E ②法兰形状可根据用户需要特制。 ③Kc是在预紧力Fp为0.1Ca,轴向载荷F为0.3Ca,循环列数为3列时的理论计算值,当轴向载荷F不等于0.3Ca时:Kc=K( )1/3,当循环列数为5列时,Kc≈1.6K,K为表中刚度值。④表中K值适用于CDT型丝杠副,其它型号未列入,需要时与本公司联系。 |
| |
|
| |
|
|