| |
|
| |
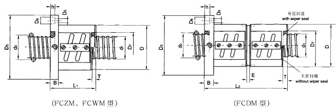
| 外插管埋入式滚珠丝杠副尺寸系列 |
|
 |
| |
|
| |
序号 |
规格代号 |
公称直径 |
导程 |
钢球直径 |
丝杠大径 |
滚 珠 螺 母 安 |
do |
Ph |
Dw |
d1 |
D |
D3 |
D4 |
D5 |
D6 |
D7 |
h |
M |
B |
T |
E |
1 |
1203 |
12 |
3
|
2.3812
|
11.3 |
32 |
53 |
42 |
4.8 |
8.5 |
17 |
4 |
F2 |
6 |
2 |
3 |
2 |
1603 |
16 |
15.3 |
36 |
56 |
45 |
4.8 |
8.5 |
21 |
4 |
F2 |
8 |
2 |
3 |
3 |
1204 |
12 |
4
|
2.3812
|
11.3 |
32 |
53 |
42 |
4.8 |
8.5 |
17 |
4 |
F2 |
6 |
3 |
4 |
4 |
1604 |
16 |
15.3 |
36 |
56 |
45 |
4.8 |
8.5 |
21 |
4 |
F2 |
8 |
3 |
4 |
5 |
2004 |
20 |
19.3 |
40 |
66 |
53 |
5.8 |
10 |
25 |
6 |
M6 |
10 |
3 |
4 |
6 |
3204 |
32 |
31.3 |
56 |
84 |
71 |
5.8 |
10 |
38 |
6 |
M6 |
10 |
3 |
4 |
7 |
2005 |
20 |
5
|
3.175
|
19.1 |
45 |
70 |
56 |
5.8 |
10 |
25 |
6 |
M6 |
10 |
3 |
4 |
8 |
2505 |
25 |
24.1 |
50 |
76 |
63 |
5.8 |
10 |
30 |
6 |
M6 |
10 |
3 |
4 |
9 |
3205 |
32 |
31.1 |
60 |
90 |
75 |
7 |
12 |
38 |
7 |
M6 |
12 |
3 |
4 |
10 |
4005 |
40 |
39.1 |
67 |
104 |
85 |
9 |
15 |
48 |
9 |
M6 |
15 |
3 |
4 |
11 |
2506 |
25 |
6
|
3.175
|
24.1 |
50 |
76 |
63 |
5.8 |
10 |
30 |
6 |
M6 |
10 |
4 |
4 |
12 |
3206 |
32 |
31.1 |
60 |
90 |
75 |
7 |
12 |
38 |
7 |
M6 |
12 |
4 |
4 |
13 |
4006 |
40 |
6
|
3.9688
|
38.8 |
71 |
110 |
90 |
9 |
15 |
48 |
9 |
M6 |
15 |
4 |
6 |
14 |
5006 |
50 |
48.8 |
85 |
120 |
100 |
9 |
15 |
60 |
9 |
M8×1 |
15 |
4 |
6 |
15 |
3208 |
32 |
8
|
4.7625
|
30.6 |
67 |
104 |
85 |
9 |
15 |
40 |
9 |
M6 |
15 |
5 |
4 |
16 |
4008 |
40 |
38.6 |
75 |
110 |
90 |
9 |
15 |
48 |
9 |
M6 |
15 |
5 |
4 |
17 |
5008 |
50 |
48.6 |
85 |
128 |
105 |
11 |
18 |
60 |
11 |
M8×1 |
18 |
5 |
8 |
18 |
6308 |
63 |
61.6 |
105 |
148 |
125 |
11 |
18 |
75 |
11 |
M8×1 |
18 |
5 |
8 |
|
| 注①L3=L1×2+E ②法兰形状可根据用户需要特制。 ③Kc是在预紧力Fp为0.1Ca,轴向载荷F为0.3Ca,循环列数为3列时的理论计算值,当轴向载荷F不等于0.3Ca时:Kc=K( )1/3,当循环列数为5列时,Kc≈1.6K,K为表中刚度值。④表中K值适用于CDM型丝杠副,其它型号未列入,需要时与本公司联系。 |
|
| |
|
| |
|