| |
| 滚珠丝杠副参数计算与选用 |
Page 1 2 3 4 |
 |
| |
| 5、按精度要求确定允许的滚珠丝杠最小螺纹底d2m |
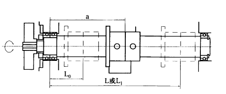
a.滚珠丝杠副安装方式为一端固定,一端自由或游动时(见图-5)

式中:E-杨氏弹性模量21×105N/mm2
dm-估算的滚珠丝杠最大允许轴向变形量(mm)
Fo-导轨静摩擦力(N)。Fo=mow(mo为静摩擦系数)
L-滚珠螺母至滚珠丝杠固定端支承的最大距离(mm)
L≈行程+安全行程+余程+螺母长度一半+支承长度的一半
≈行程+(2~4)Ph+4Ph+(4~6)Ph+(1/20~1/10)行程
≈(1.05~1.1)行程+(10~14)Ph
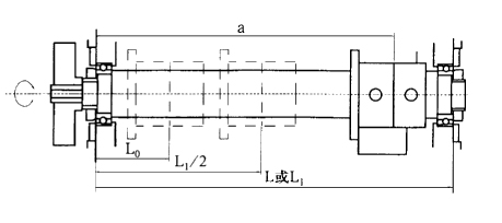
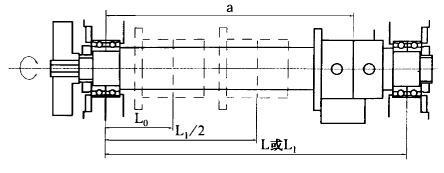
b.滚珠丝杠副安装为两端支承或两端固定(见图-5)

式中:
L-两个固定支承之间的距离(mm)
L≈行程+安全行程+两个余程+螺母长度+一支承长度≈(1.1~1.2)行程+(10~14)Ph
其中 重复定位精度或 定位精度,
上述两种方法估算出的小值为 为系统刚性最小处刚度值,见下文12、13项计算)
滚珠丝杠副公称中径dom≈d2m+Dw(钢球直径)
|
| 图-5 |
一端固定,一端自由G-Z |
 |
一端固定,一端游动G-Y |
 |
二端支承J-J |
 |
二端固定G-G |
 |
|
| |
| 6、确定滚珠丝杠副规格代号 |
| 按照计算出的Ph,Cam及传动方式,使用情况,可在样本中先查出对应的滚珠丝杠公称直径do,应注意do≥dom, Ca≥Cam,但不宜过大,否则会使滚珠丝杠副转动惯量偏大,结构尺寸也偏大。接着确定循环圈数,滚珠螺母规格代号及相关的安装连接尺寸。 |
| |
| 7、确定预紧滚珠丝杠副预紧力Fp |
当选择预紧螺母型式的滚珠丝杠副时需确定预紧力Fp。
当最大轴向工作载荷Fmax能确定时
Fp=1/3 Fmax
当最大轴向工作载荷不能确定时
Fp=ξCa
其中ξ值按表10选择,Ca是额定动载荷,可在样本上查到。 |
| 表-10 |
预加负荷类型 |
轻载荷 |
中载荷 |
重载荷 |
ξ |
0.05 |
0.075 |
0.1 |
|
| |
| 8、计算行程补偿值C和预拉伸力F1 |
| 考虑到丝杠运转过程中温升对丝杠副导程精度的影响,在精级要求较高的场合,应对滚珠丝杠副适当的预拉伸。对预拉伸的滚珠丝杠副规定目标行程值C,并计算预拉伸力。 |
式中:
C-行程补偿值(mm)
Dt-温度变化值2℃~3℃
a-丝杆的线膨胀系数11.8×10-6度
Lu-滚珠丝杠副的有效行程(mm)
Lu≈工作台行程+螺母长度+两个安全行程≈行程+(8~14)Ph
|
|

式中:
F1-预位伸力(N)
d2-滚珠丝杠螺纹底径(mm)
E-杨氏弹性模量2.1×105(N/mm2)
Dt-滚珠丝杠温升2℃~3℃
d2≈do-Dw (Dw:钢球半径) |
|
|
| |