| |
|
| |
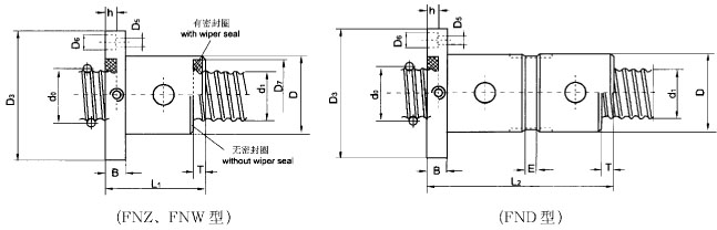
| 内循环滚珠丝杠副尺寸系列 |
|
 |
| |
|
| |
序号 |
规格代号 |
公称直径do |
导程Ph |
钢球直径Dw |
丝杠大径d1 |
滚 珠 螺 母 安 |
D |
D3 |
D4 |
D5 |
D6 |
D7 |
h |
M |
B |
T |
E |
1 |
1202 |
12.5 |
2 |
1.5 |
12.1 |
26 |
48 |
36 |
4.8 |
8.5 |
15 |
4 |
F2 |
6 |
2 |
3 |
2 |
1402.5 |
14.5 |
2.5 |
1.5 |
14.1 |
28 |
54 |
42 |
5.8 |
10 |
22 |
6 |
F2 |
8 |
3 |
3 |
3 |
3202.5 |
32 |
31.5 |
45 |
84 |
71 |
5.8 |
10 |
39 |
6 |
M6 |
12 |
3 |
3 |
4 |
1203★ |
125 |
3 |
2.3812 |
11.9 |
26 |
48 |
36 |
4.8 |
8.5 |
17 |
4 |
F2 |
6 |
3 |
3 |
5 |
1603 |
16 |
15.3 |
30 |
53 |
40 |
4.8 |
8.5 |
21 |
4 |
F2 |
8 |
3 |
3 |
6 |
2003★ |
20 |
19.3 |
36 |
60 |
48 |
5.8 |
10 |
24 |
6 |
M6 |
10 |
3 |
4 |
7 |
1204 |
12 |
4 |
2.3812 |
11.3 |
26 |
48 |
36 |
4.8 |
8.5 |
17 |
4 |
F2 |
6 |
3 |
4 |
8 |
1404★ |
14.5 |
13.8 |
28 |
50 |
38 |
4.8 |
8.5 |
17 |
4 |
F2 |
8 |
3 |
4 |
9 |
1604★ |
16 |
15.3 |
30 |
53 |
40 |
4.8 |
8.5 |
22 |
4 |
F2 |
8 |
3 |
4 |
10 |
2004★ |
20 |
19.3 |
36 |
60 |
48 |
5.8 |
10 |
25 |
6 |
M6 |
10 |
3 |
4 |
11 |
2504★ |
25 |
24.3 |
40 |
66 |
53 |
5.8 |
10 |
34 |
6 |
M6 |
10 |
3 |
4 |
12 |
3204★ |
32 |
31.3 |
50 |
76 |
63 |
5.8 |
10 |
38 |
6 |
M6 |
10 |
3 |
4 |
13 |
1605★ |
16.5 |
5 |
3.5 |
15.5 |
30 |
53 |
40 |
4.8 |
8.5 |
23 |
6 |
M6 |
10 |
3 |
4 |
14 |
2005★ |
20 |
5 |
3.5 |
19 |
36 |
60 |
48 |
5.8 |
10 |
25 |
6 |
M6 |
10 |
3 |
4 |
15 |
2505★ |
25 |
24 |
40 |
66 |
53 |
5.8 |
10 |
30 |
6 |
M6 |
10 |
3 |
4 |
16 |
3205★ |
32 |
31 |
50 |
82 |
67 |
7 |
12 |
38 |
7 |
M6 |
12 |
3 |
4 |
17 |
4005★ |
40 |
39 |
60 |
94 |
75 |
9 |
15 |
48 |
9 |
M6 |
15 |
3 |
4 |
18 |
2506★ |
25 |
6 |
3.5 |
24 |
40 |
66 |
53 |
5.8 |
10 |
30 |
6 |
M6 |
10 |
3 |
4 |
19 |
3206★ |
32 |
6 |
3.9688 |
31.8 |
50 |
82 |
67 |
7 |
12 |
38 |
7 |
M6 |
12 |
3 |
4 |
20 |
4006★ |
40 |
38.8 |
60 |
94 |
75 |
9 |
15 |
48 |
9 |
M6 |
15 |
3 |
4 |
|
| |
| 注①L3=L1×2+E ②法兰形状可根据用户需要特制。 ③表中★为优先组合,请优先选用 ④Kc是在预紧力Fp为0.1Ca,轴向载荷F为0.3Ca,循环列数为3列时的理论计算值,当轴向载荷F不等于0.3Ca时:Kc=K( )1/3,当循环列数为5列时,Kc≈1.6K,K为表中刚度值。⑤表中K值适用于FD型丝杠副,FZ、FB型未列入,需要时与本公司联系。 |
| |
|
|
| |
|