| |
|
| |
| 滚珠丝杠副动态预紧转矩极限偏差 |
|
 |
| |
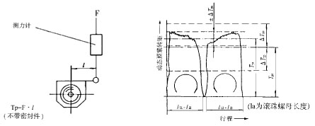
滚珠丝杠副动态预紧转矩极限偏差是指预紧螺母在无防尘圈、空载条件下测得的转矩变化值。
动态预紧转矩计算公式:Tpo=b.Fp.Pn (N.m)
b-效率系数。1、2、3级取3.356×10-5, 4、5、7、10级取5.2×10-5, Pn-公称导程,Fp-预紧力。预紧力选用,本公司推荐为额定动载荷的10%。
滚珠丝杠副动态预紧转矩测量示意及其极限偏差 |
 |
| |
| 表-4滚珠丝杠副动态预紧转矩极限偏差 |
精 度 等 级 |
理论动态预紧转矩(Tpo) |
1 |
2 |
3 |
4 |
5 |
7 |
10 |
Lu/d0<40 △Tpp(Tpo%) |
≥0.2~0.4 |
35 |
37 |
40 |
45 |
50 |
- |
- |
>0.4~0.6 |
30 |
32 |
35 |
37 |
40 |
- |
- |
>0.6~1.0 |
25 |
27 |
30 |
32 |
35 |
40 |
- |
>1.0~2.5 |
20 |
22 |
25 |
27 |
30 |
35 |
- |
>2.5~6.3 |
15 |
17 |
20 |
22 |
25 |
30 |
- |
>6.3~10.0 |
- |
- |
15 |
17 |
20 |
30 |
- |
理论动态预紧转矩(Tpo) |
40=Lu/d0<60 △Tpp(Tpo%) |
≥0.2~0.4 |
40 |
45 |
50 |
55 |
60 |
- |
- |
>0.4~0.6 |
35 |
37 |
40 |
42 |
45 |
- |
- |
>0.6~1.0 |
30 |
32 |
35 |
37 |
40 |
45 |
- |
>1.0~2.5 |
25 |
27 |
30 |
32 |
35 |
40 |
- |
>2.5~6.3 |
20 |
22 |
25 |
27 |
30 |
35 |
- |
>6.3~10.0 |
- |
- |
20 |
22 |
25 |
35 |
- |
|
| |
|
| 预紧螺母有防尘圈的空载理论动态预紧转矩为T′po≤1.15Tpo (N.m) |
| |
|