| |
|
| |
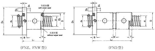
| 内循环滚珠丝杠副尺寸系列 |
|
 |
| |
|
| |
序号 |
规格代号 |
公称直径 |
导程 |
钢球直径 |
丝杠大径 |
滚 珠 螺 母 安 |
D |
D3 |
D4 |
D5 |
D6 |
D7 |
h |
M |
B |
T |
E |
do |
Ph |
Dw |
d1 |
21 |
5006★ |
50 |
6 |
3.9688 |
48.8 |
71 |
110 |
90 |
9 |
15 |
60 |
9 |
M8×1 |
15 |
3 |
6 |
22 |
3208 |
32 |
|
|
30.6 |
53 |
90 |
71 |
9 |
15 |
40 |
9 |
M6 |
15 |
5 |
4 |
23 |
4008★ |
40 |
8 |
4.7625 |
38.6 |
63 |
100 |
80 |
9 |
15 |
48 |
9 |
M6 |
15 |
5 |
4 |
24 |
5008★ |
50 |
|
|
48.6 |
75 |
118 |
95 |
11 |
18 |
60 |
11 |
M8×1 |
18 |
5 |
7 |
25 |
6308 |
63 |
|
|
61.6 |
90 |
132 |
110 |
11 |
18 |
75 |
11 |
M8×1 |
18 |
5 |
7 |
26 |
1610 |
16 |
10 |
2.381 |
15.3 |
30 |
48 |
38 |
4.5 |
7.5 |
21 |
2 |
F2 |
6 |
- |
- |
27 |
3210★ |
32 |
10 |
6.35 |
30 |
53 |
90 |
71 |
9 |
15 |
42 |
9 |
M6 |
15 |
6 |
7 |
28 |
4010★ |
40 |
|
|
38 |
63 |
108 |
85 |
11 |
18 |
50 |
11 |
M6 |
18 |
6 |
7 |
29 |
5010★ |
50 |
10 |
7.1438 |
48 |
75 |
118 |
95 |
11 |
18 |
60 |
11 |
M8×1 |
18 |
6 |
7 |
30 |
6310★ |
63 |
|
|
61 |
90 |
138 |
112 |
13.5 |
22 |
75 |
13 |
M8×1 |
20 |
6 |
7 |
31 |
8010 |
80 |
|
|
78 |
105 |
156 |
130 |
13.5 |
22 |
90 |
13 |
M8×1 |
20 |
6 |
7 |
32 |
4012★ |
40 |
|
|
38 |
67 |
108 |
85 |
11 |
18 |
50 |
11 |
M6 |
15 |
7 |
8 |
33 |
5012★ |
50 |
12 |
7.1438 |
48 |
80 |
132 |
105 |
13.5 |
22 |
63 |
13 |
M8×1 |
18 |
7 |
8 |
34 |
6312★ |
63 |
|
|
61 |
90 |
138 |
112 |
13.5 |
22 |
75 |
13 |
M8×1 |
20 |
7 |
8 |
35 |
8012★ |
80 |
|
|
78 |
110 |
158 |
132 |
13.5 |
22 |
95 |
13 |
M8×1 |
20 |
7 |
8 |
36 |
8016★ |
80 |
16 |
9.525 |
77.2 |
118 |
168 |
140 |
13.5 |
22 |
95 |
13 |
M8×1 |
22 |
9 |
10 |
37 |
10016 |
100 |
|
|
97.2 |
140 |
202 |
170 |
17.5 |
28 |
115 |
17 |
M10×1 |
25 |
9 |
10 |
38 |
8020 |
80 |
|
|
76.2 |
118 |
168 |
140 |
13.5 |
22 |
95 |
13 |
M8×1 |
25 |
12 |
12 |
39 |
10020 |
100 |
20 |
12.70 |
96.2 |
140 |
202 |
170 |
17.5 |
28 |
115 |
17 |
M10×1 |
28 |
12 |
12 |
40 |
12520 |
125 |
|
|
121.2 |
160 |
240 |
200 |
22 |
35 |
140 |
21 |
M10×1 |
30 |
12 |
12 |
|
| |
| 注①L3=L1×2+E ②法兰形状可根据用户需要特制。 ③表中★为优先组合,请优先选用 ④Kc是在预紧力Fp为0.1Ca,轴向载荷F为0.3Ca,循环列数为3列时的理论计算值,当轴向载荷F不等于0.3Ca时:Kc=K( )1/3,当循环列数为5列时,Kc≈1.6K,K为表中刚度值。⑤表中K值适用于FD型丝杠副,FZ、FB型未列入,需要时与本公司联系。 |
|
|
| |
| |
|