| |
|
| |
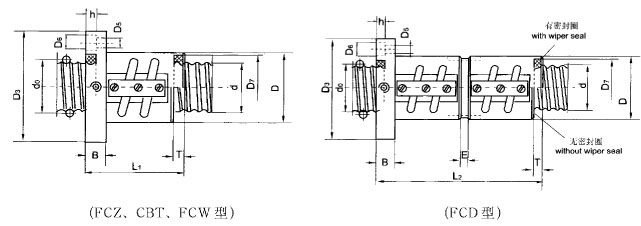
| 外插管凸出式滚珠丝杠副尺寸系列 |
|
 |
| |
|
序号 |
规格代号 |
公称直径 |
导程 |
钢球直径 |
丝杠大径 |
滚 珠 螺 母 安 |
do |
Ph |
Dw |
d1 |
D |
D3 |
D4 |
D5 |
D6 |
D7 |
h |
M |
B |
T |
E |
Xmax |
19 |
3210 |
32 |
10 |
6.35 |
30.1 |
53 |
90 |
71 |
9 |
15 |
42 |
9 |
M6 |
15 |
6 |
6 |
41 |
20 |
4010 |
40 |
38.1 |
63 |
108 |
85 |
11 |
18 |
50 |
11 |
M6 |
18 |
6 |
6 |
49 |
21 |
5010 |
50 |
48.1 |
75 |
118 |
95 |
11 |
18 |
60 |
11 |
M8×1 |
18 |
6 |
6 |
58 |
22 |
6310 |
63 |
61.1 |
90 |
138 |
112 |
13.5 |
22 |
75 |
13 |
M8×1 |
20 |
6 |
10 |
71 |
23 |
8010 |
80 |
78.1 |
105 |
156 |
130 |
13.5 |
22 |
90 |
13 |
M8×1 |
20 |
6 |
10 |
87 |
24 |
4012 |
40 |
12 |
7.1438 |
38 |
67 |
108 |
85 |
11 |
18 |
50 |
11 |
M6 |
15 |
7 |
6 |
51 |
25 |
5012 |
50 |
48 |
80 |
132 |
105 |
13.5 |
22 |
63 |
13 |
M8×1 |
18 |
7 |
6 |
61 |
26 |
6312 |
63 |
61 |
90 |
138 |
112 |
13.5 |
22 |
75 |
13 |
M8×1 |
20 |
7 |
12 |
73 |
27 |
8012 |
80 |
78 |
110 |
158 |
132 |
13.5 |
22 |
95 |
13 |
M8×1 |
20 |
7 |
12 |
90 |
28 |
8016 |
80 |
16 |
9.525 |
77.2 |
118 |
168 |
140 |
13.5 |
22 |
95 |
13 |
M8×1 |
22 |
10 |
12 |
93 |
29 |
10016 |
100 |
97.2 |
140 |
202 |
170 |
17.5 |
28 |
115 |
17 |
M10×1 |
25 |
10 |
12 |
112 |
30 |
8020 |
80 |
20 |
12.70 |
76.2 |
118 |
168 |
140 |
13.5 |
22 |
95 |
13 |
M8×1 |
25 |
12 |
12 |
93 |
31 |
10020 |
100 |
96.2 |
140 |
202 |
170 |
17.5 |
28 |
115 |
17 |
M10×1 |
28 |
12 |
12 |
112 |
32 |
12520 |
125 |
121.2 |
160 |
240 |
200 |
22 |
35 |
140 |
21 |
M10×1 |
30 |
12 |
12 |
136 |
|
注①L3=L1×2+E ②法兰形状可根据用户需要特制。 ③Kc是在预紧力Fp为0.1Ca,轴向载荷F为0.3Ca,循环列数为3列时的理论计算值,当轴向载荷F不等于0.3Ca时: 当循环列数为5列时,Kc≈1.6K,K为表中刚度值。④表中K值适用于CDT型丝杠副,其它型号未列入,需要时与本公司联系。 |
| |
|
| |
|
|