| |
|
| |
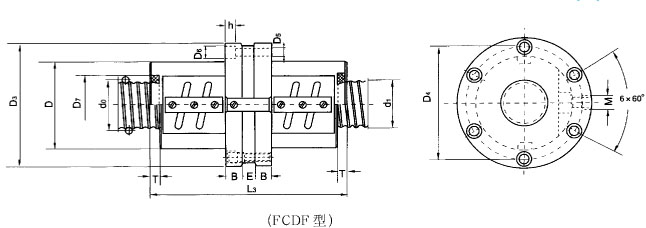
| 外插管埋入式滚珠丝杠副尺寸系列 |
|
 |
| |
|
| |
装 连 接 尺 寸 |
额定载荷(KN) |
刚度K
N/um |
规格代号 |
L1 |
L2 |
动载荷Ca |
静载荷Coa |
2.5圈 |
3.5圈 |
5圈 |
2.5圈 |
3.5圈 |
5圈 |
2.5圈 |
3.5圈 |
5圈 |
2.5圈 |
3.5圈 |
5圈 |
d3 |
31 |
- |
- |
61 |
- |
- |
3.6 |
- |
- |
6.2 |
- |
- |
408 |
1203 |
33 |
- |
- |
63 |
- |
- |
4.2 |
- |
- |
8.9 |
- |
- |
440 |
1603 |
34 |
- |
- |
64 |
- |
- |
3.6 |
- |
- |
6.2 |
- |
- |
418 |
1204 |
36 |
- |
- |
66 |
- |
- |
4.2 |
- |
- |
8.9 |
- |
- |
430 |
1604 |
38 |
- |
- |
70 |
- |
- |
4.9 |
- |
- |
11.1 |
- |
- |
448 |
2004 |
38 |
- |
50 |
70 |
- |
94 |
6.0 |
- |
10.9 |
18.3 |
- |
36.6 |
823 |
3204 |
41 |
- |
- |
76 |
- |
- |
7.0 |
- |
- |
14.2 |
- |
- |
536 |
2005 |
41 |
- |
- |
76 |
- |
- |
7.9 |
- |
- |
18.2 |
- |
- |
657 |
2505 |
43 |
48 |
58 |
78 |
88 |
108 |
8.8 |
11.8 |
16.0 |
23.8 |
33.4 |
47.7 |
826 |
3205 |
46 |
51 |
61 |
81 |
91 |
111 |
9.7 |
13.0 |
17.7 |
30.2 |
42.3 |
60.4 |
1025 |
4005 |
48 |
- |
- |
90 |
- |
- |
10.4 |
- |
- |
22.2 |
- |
- |
636 |
2506 |
50 |
56 |
68 |
92 |
104 |
128 |
12.0 |
16.3 |
21.8 |
27.4 |
38.3 |
54.8 |
840 |
3206 |
53 |
59 |
71 |
97 |
109 |
133 |
13.2 |
17.6 |
23.9 |
37.4 |
52.3 |
74.7 |
1020 |
4006 |
53 |
59 |
71 |
97 |
109 |
133 |
14.6 |
19.4 |
26.4 |
47.4 |
66.3 |
94.8 |
1226 |
5006 |
60 |
68 |
84 |
108 |
124 |
156 |
15.3 |
20.5 |
27.8 |
35.5 |
49.6 |
71.0 |
820 |
3208 |
60 |
68 |
84 |
108 |
124 |
156 |
16.9 |
22.6 |
30.7 |
44.5 |
62.3 |
89.0 |
1002 |
4008 |
63 |
71 |
87 |
115 |
131 |
163 |
18.9 |
25.2 |
34.3 |
57.1 |
79.9 |
114 |
1270 |
5008 |
- |
71 |
87 |
- |
131 |
163 |
- |
27.5 |
37.4 |
- |
100 |
141 |
2010 |
6308 |
|
| |
|
| |
|
|